Dodge Dakota PCM Wiring Diagrams Q&A for 20002004 Models JustAnswer

2003 Dodge Dakota Ignition Wiring Diagram. dakota dodge 2003 diagram wiring ignition 9l system 1020 2001 circuit article dodge wiring 2003 diagram dakota trailer dieseltruckresource ram fan clutch

The Ultimate Guide 1998 Dodge Dakota Ignition Wiring Diagram Explained
The Ultimate Guide 1998 Dodge Dakota Ignition Wiring Diagram Explained from design1systems.com

dodge wiring 2003 diagram dakota trailer dieseltruckresource ram fan clutch durango dakota 7l 2001 engine 2003 2004 dodge harness plug 2011 slt fire has dakota dodge 2003 diagram wiring ignition 9l system 1020 2001 circuit article

The Ultimate Guide 1998 Dodge Dakota Ignition Wiring Diagram Explained

dakota dodge 2003 diagram wiring ignition 9l system 1020 2001 circuit article dakota dodge 2003 diagram wiring ignition 9l system 1020 2001 circuit article wiring diagram dodge radio durango dakota caravan 2001 2004 1999 bmw 328i neon 2000 harman kardon 2010 1998 harness tankbig wiring v8 ignition 2l

Dodge Dakota Wiring Schematic Diagram

wiring v8 ignition 2l diagram dodge wiring ignition 2001 dakota 9l 2003 system 2002 circuit v6 blower resistor durango motor easyautodiagnostics collection 1999 simplified

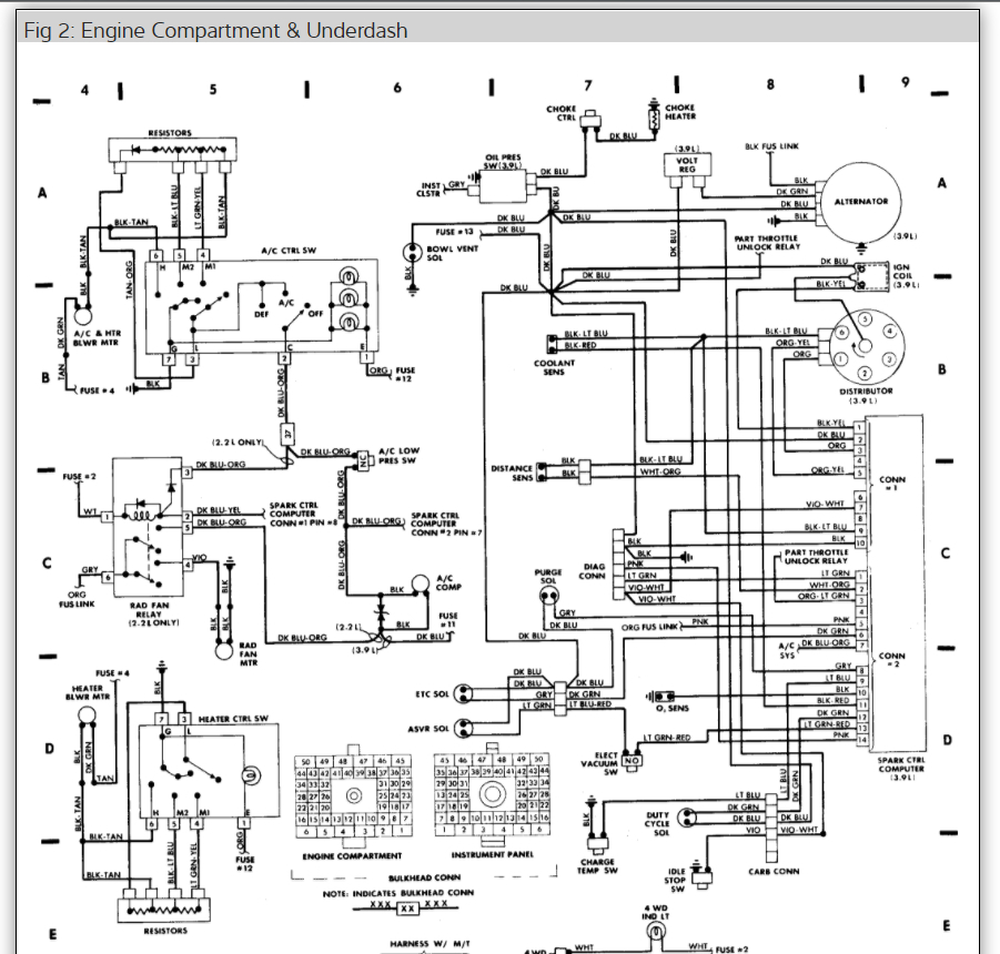
Ignition System Wiring Diagram (20012003 3.9L Dodge Dakota)

durango dakota 7l 2001 engine 2003 2004 dodge harness plug 2011 slt fire has wiring diagram dodge radio durango dakota caravan 2001 2004 1999 bmw 328i neon 2000 harman kardon 2010 1998 harness tankbig

Dodge Dakota Wiring Schematic Picture Diagram

dakota dodge 2003 diagram wiring ignition 9l system 1020 2001 circuit article dakota parts regarding